注塑機,廣泛應用于橡塑以及部分金屬加工行業。它的工作原理是通過將熱塑性或熱熔性材料灌入噴射機構,高速射出填充模具,再經過高溫或冷卻進而成型。注塑機按照其合模動作方式可分為立式注塑機和臥式注塑機,按照其動力源可分為電動注塑機以及液壓注塑機。 注塑機根據其所產生的合模力的不同,機型大小也會有所不同。小的可以小到僅能容納身體局部進入機器,而大的則可大到合模區內可同時容納2-3人。 注塑機的風險點分析 下圖是一臺完全沒有防護的注塑機,充斥著危險的可移動部件,如果不采取任何的安全防護,這無異于是一個“處于活動狀態的活火山”,隨時可能爆發,造成嚴重的傷害事故。 
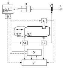
但對于技術人員而言,如果不太了解注塑機安全防護的要求,想要對這樣一臺機器完成一次全面的風險評估,以確定合適的安全防護措施,也不是一件容易的事情。 不了解標準要求,一切的安全防護方案都是“空談”。 ● ISO 20430—全球首個注塑機統一國際安全標準 注塑機的C類標準ISO 20430(Plastics and rubber machines — Injection moulding machines — Safety requirements),是基于歐洲標準EN201:2009的注塑機行業的首個國際安全標準,發布于2020年,為注塑機制造商提供了一個全球統一的標準,這意味著制造商不再需要根據各個市場的安全要求來調試制造他們的設備。 ● 注塑機合模/鎖模區的安全防護示例 借助標準的幫助,我們可以快速認識注塑機的結構以及每個區域之間存在的風險點,甚至標準中還給出了不同區域的防護要求,拿風險最明顯的合模區以及鎖模區舉例,ISO 20403的4.3章節提到:應當采用如下一種或多種方式來防止接觸合模區/鎖模區的危險運動: a)聯鎖防護 打開聯鎖防護應當: 停止活板以及合模機構的動作,安全回路滿足Protective Type II or PLr = d,并且 停止點動防護門的動作,安全回路滿足Protective Type I or PLr = c b)加裝光柵 遮擋光柵停止危險動作,安全回路滿足PLr = d c)如果僅在機器修理和維護時接觸合模區,則加裝固定式防護即可 在大部分情況下,對于合模區的防護需要采用SRP/CS的方式進行風險降低。ISO 20403標準中給出了參考做法以及所需的安全功能等級。其中PLr指的是ISO ISO 13849-1中的性能等級,相信這個大家應該都不太陌生了,但這里說的Protective Type指的是什么呢? Protective Type基本概念: ISO 20430針對注塑機安全回路提出的等效要求,滿足Protective Type或滿足與之對應的PLr都是可以接受的。 Protective Type具體的要求內容在標準ISO 20403的附錄A中進行了詳細的說明,并且針對電動機型和液壓機型還有不同的要求,如下圖所示的兩種不同的Protective Type II: 
液壓注塑機 
電動注塑機 標準中給出了安全功能的系統示意圖并配有詳盡的文字說明。感興趣的小伙伴,可以翻閱標準原文。 皮爾磁作為機械安全專家,非常樂意用安全知識幫助用戶解決問題,為用戶的設備升級改造助力。 皮爾磁中國 銷售咨詢熱線:4006 4006 50 網址: www.pilz.com.cn
|